政策发规


政策法规

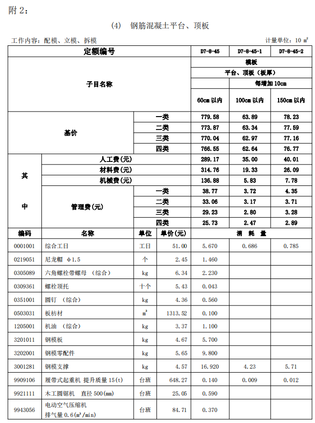
关于印发广东省建设工程定额动态调整的通知(第21期)
来源: 广东省建设工程标准定额站订阅号 | 作者:成诺 | 发布时间: 2023-09-01 | 972 次浏览 | 🔊 点击朗读正文 ❚❚ | 分享到:

粤标定函〔2023〕105号


各有关单位:

近期,我站组织专家研析了广东省建设工程定额动态管理系统收集的反馈意见,现将《广东省市政工程综合定额 2018》《广东省市政工程综合定额 2010》相关调整内容印发给你们,调整内容与我省现行工程计价依据配套使用,除合同另有约定外,已经合同双方确认的工程造价成果文件不作调整,请遵照执行。执行中遇到的问题,请通过“广东省工程造价信息化平台——建设工程定额动态管理系统”及时反映。

附件:广东省市政工程综合定额动态调整内容

广东省建设工程标准定额站

2023年8月21日   



图片

图片

图片

图片

图片

图片

图片