政策发规


政策法规

省标定站|关于印发《模块化集成建造定额子目(试行)》的通知
来源: 广东省建设工程标准定额站订阅号 | 作者:成诺 | 发布时间: 2024-01-02 | 2471 次浏览 | 🔊 点击朗读正文 ❚❚ | 分享到:
粤标定函〔2023〕156号

各有关单位:
为推动我省模块化集成建筑产业发展,按照《广东省住房和城乡建设厅等部门关于推动智能建造与建筑工业化协同发展的实施意见》(粤建市〔2021〕234号)有关部署,我站组织编制了《模块化集成建造定额子目(试行)》,与《广东省房屋建筑与装饰工程综合定额2018》配套使用。现印发给你们,请遵照执行。
在执行中遇到的问题,请通过“广东省工程造价信息化平台--建设工程定额动态管理系统”反映。
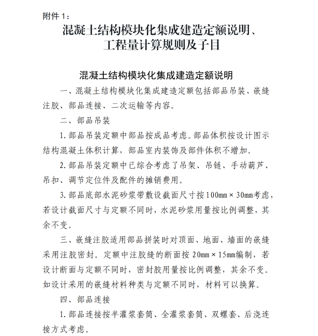
附件:1.混凝土结构模块化集成建造定额说明、工程计算规则及子目
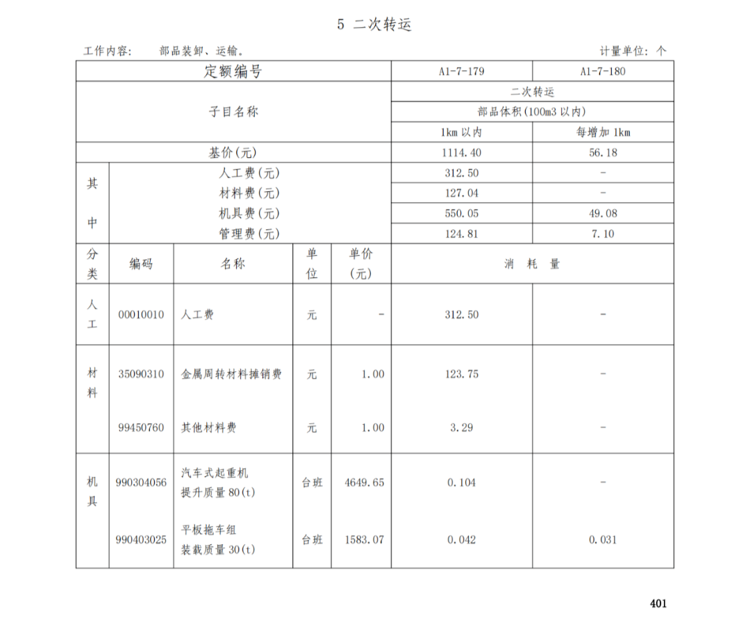
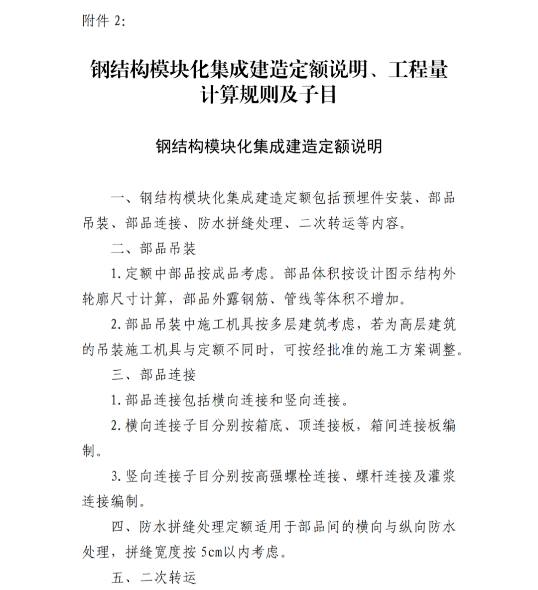
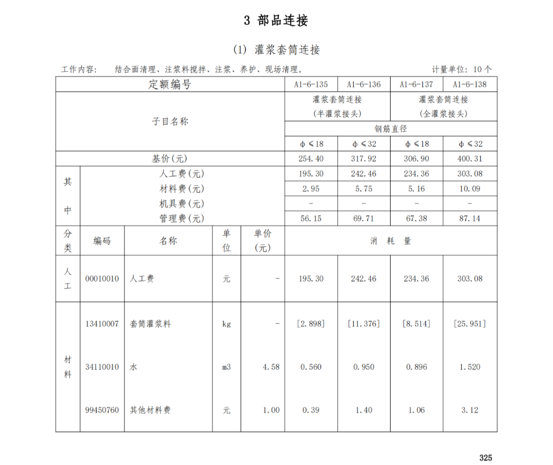
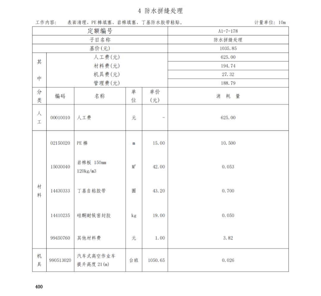
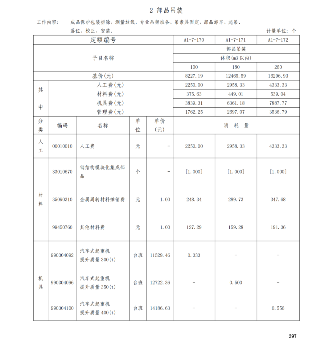
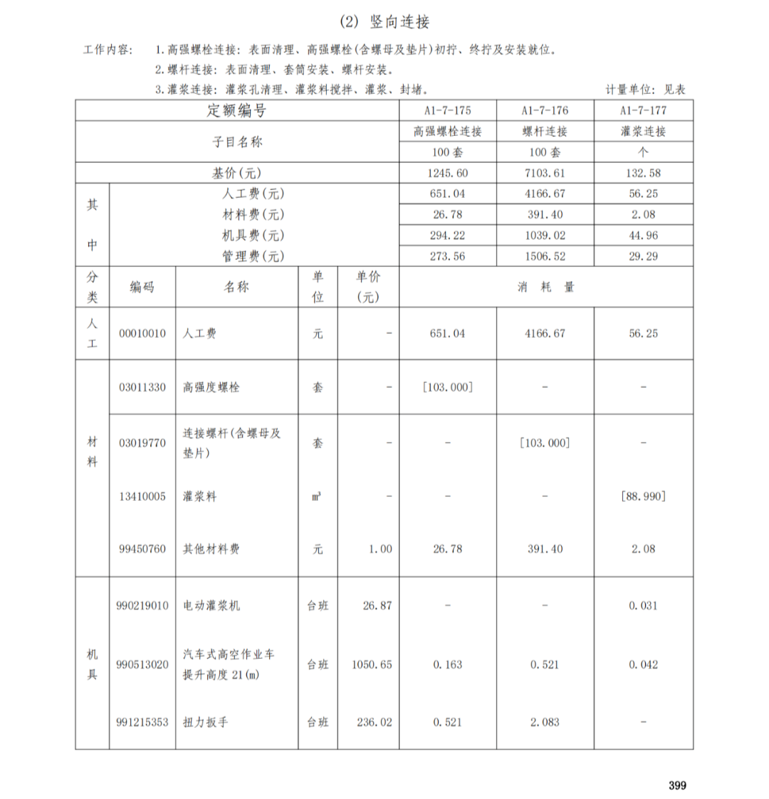
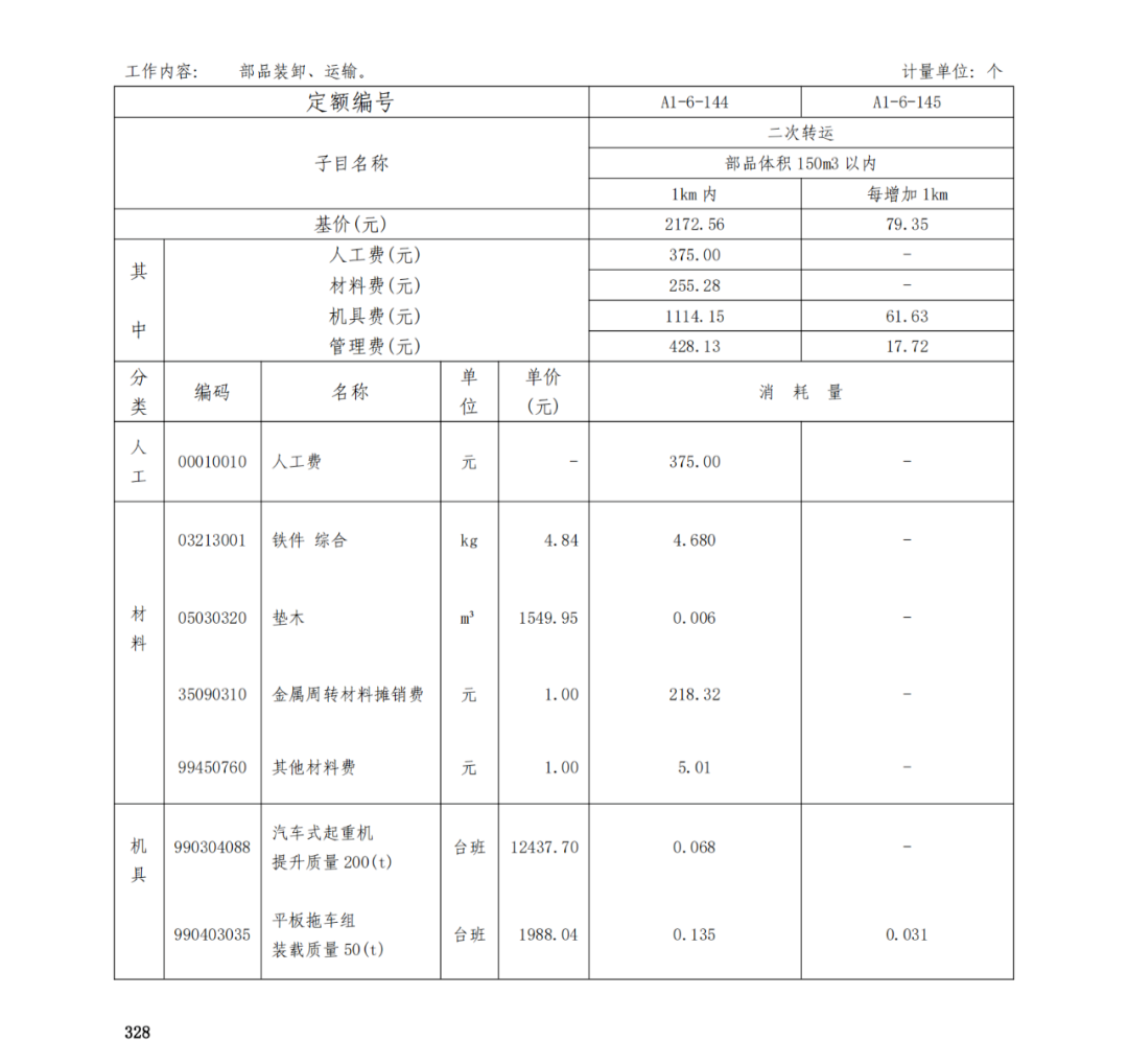
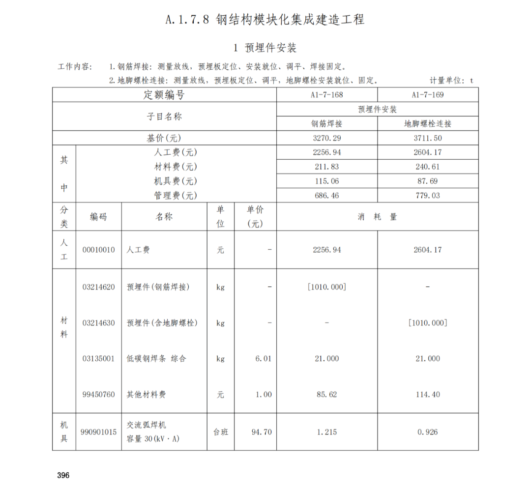
2.钢结构模块化集成建造定额说明、工程量计算规则及子目
3.《广东省建设工程施工机具台班费用编制规则2018》增补内容
4.增补材料表

广东省建设工程标准定额站
2023年12月21日
图片
图片
图片
图片
图片
图片
图片
图片
图片
图片
图片
图片
图片
图片
图片
图片
图片
图片
图片
图片
图片
图片
图片
图片